Будьте всегда в курсе!
Узнавайте о скидках и акциях первым
Новости
Все новости
17 марта 2026
Обучающий семинар ZONT 31 марта
18 декабря 2025
Режим работы в новогодние праздничные дни
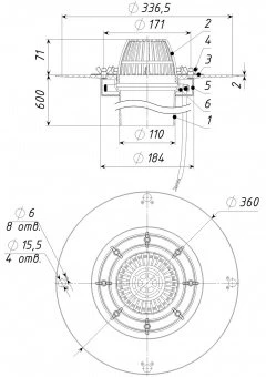
Воронка кровельная ТП-01.100/6-Э
Артикул:
ТП-01.100/6-Э
Кровельная воронка ТП-01.100/6-Э с вертикальным выпуском D=110 мм, H=600 мм с электрообогревом, листвоуловителем и прижимным фланцем
4 000 ₽/шт
-
+
Под заказ
Срок поставки необходимо
получить у менеджера.
получить у менеджера.
| Базовая единица | шт |
| Картинки | Array |
| Вес, кг | 1.8 |
| Срок службы, лет | 50 |
| Страна | Россия |
Доставка
- По Санкт-Петербургу - 500 руб.
- По России - через транспортные компании. Рассчитать стоимость доставки самостоятельно.
Оплата
- Картой онлайн
- Наличиными/картой в офисе
- Безналичным переводом
- Характеристики
- Документация
- Отзывы (0)
- Задать вопрос
-
Общая информация Срок службы, лет 50 Тип кровли для неэксплуатируемых кровель Материал корпуса воронки ПП Материал прижимного фланца нержавеющая сталь Технические характеристики Потребляемая мощность, Вт 15 Пропускная способность, л/с 8 Теплоотдача кабеля, Вт/м 30 Максимальная разрешенная нагрузка, кг 150 Макс. температура отводящей жидкости, °С +85 Температура окружающей среды, °С -50 ...+90 Подключение Диаметр приемной воронки, мм 360 Наружный диаметр выпуска, мм 110 Электропитание Напряжение питания, В 220 Размеры и масса Вес, кг 1.8 Высота выпускного патрубка, мм 600 Длина кабеля, м 1.5 Сечение кабеля 3х1,5 Комплектация и встроенное оборудование Наличие фланца есть Наличие листвоуловителя есть Электрообогрев есть Дополнительная информация Применение для отвода дождевой и талой воды с плоских кровель в дождевую канализацию Информация о производителе Торговая марка Татполимер Страна Россия -
ПаспортРазмер: 0,3 мб
-
Вы можете задать любой интересующий вас вопрос по товару или работе магазина.
Наши квалифицированные специалисты обязательно вам помогут.
Задать вопрос
Ранее вы смотрели

