Будьте всегда в курсе!
Узнавайте о скидках и акциях первым
Новости
Все новости
17 марта 2026
Обучающий семинар ZONT 31 марта
18 декабря 2025
Режим работы в новогодние праздничные дни
Твердотопливный котел Куппер ПРО-22
Котел твердотопливный напольный Куппер ПРО-22, мощность 22 кВт, в комплекте с ТЭН, глубина топки 415 мм, гарантия 3 года, Россия
34 110 ₽/шт
| Тип отопительного котла | твердотопливный |
| Количество контуров | одноконтурный |
Доставка
- По Санкт-Петербургу - бесплатно.
- По России - через транспортные компании. Рассчитать стоимость доставки самостоятельно.
Оплата
- Картой онлайн
- Наличиными/картой в офисе
- Безналичным переводом
- Характеристики
- Устройство
- Комплект поставки
- Документация
- Видео
- Отзывы (0)
- Задать вопрос
-
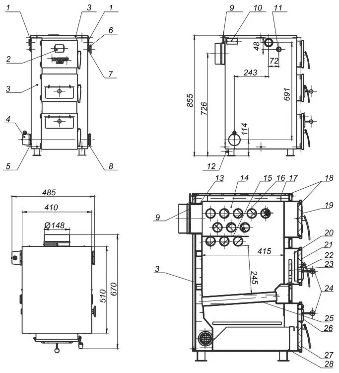
Общая информация Тип отопительного котла твердотопливный Количество контуров одноконтурный Вид топлива дрова, уголь, электричество Модель Куппер ПРО-22 Тип установки напольный Гарантия, лет 3 Технические характеристики Мощность, кВт 22 Отапливаемая площадь, м2 220 Глубина топки, мм 415 Емкость для воды, л 49 Емкость топки, л 35 Тип камеры сгорания открытая Подключение Диаметр входного/выходного патрубка, дюйм 1.1/2 Диаметр дымохода, мм 150 Размеры и масса Вес, кг 115 Габариты (ВxШxГ), мм 855х485х670 Комплектация и встроенное оборудование Опция ТЭН есть,3x2 (220/380) Термометр есть Варочная панель нет Дополнительная информация Регулятор тяги дополнительная опция Материал теплообменника сталь 09Г2С Информация о производителе Торговая марка Теплодар Страна Россия -

- Штуцер подачи G1 1/2".
- Фирменный шильд.
- Панель облицовки.
- Блок ТЭН 9 кВт.
- Штуцер блока ТЭН G2".
- Термометр.
- Штуцер G1/2 термометра.
- Заглушка переходник G2 на G1 1/2.
- Шибер поворотный.
- Шильд технический.
- Штуцер G 3/4 регулятора тяги.
- Болт заземления.
- Патрубок дымосборника.
- Корпус топки.
- Съемный козырек.
- Водотрубный теплообменник.
- Наружный корпус водяной рубашки.
- Базальтовый картон.
- Дверца прочистная.
- Экран защитный.
- Дверца топочная.
- Створка вторичного воздуха.
- Створка котла.
- Регулировочный винт.
- Водотрубный колосник.
- Створка первичного воздуха.
- Дверца зольная.
- Ящик зольника.
-
- Котел.
- Козырек.
- Створка котла.
- Ящик зольника.
- Шуровка.
- Кочерга.
- Заглушка-переходник с G2" на G1 1/2".
- Заглушка Dy 40 G1 1/2".
- Дверца зольная.
- Дверца топочная.
- Дверца прочистная.
- Заглушка Dy20 G3/4".
- Винт регулировки подачи воздуха - 2 шт.
- Шибер поворотный 150 мм.
- Блок ТЭН 6 кВт.
- Термометр.
- Руководство по эскплуатации.
-
ПаспортРазмер: 14,9 мбСертификат соответствияРазмер: 901 кб
-
-
Вы можете задать любой интересующий вас вопрос по товару или работе магазина.
Наши квалифицированные специалисты обязательно вам помогут.
Задать вопрос
Ранее вы смотрели



