Будьте всегда в курсе!
Узнавайте о скидках и акциях первым
Новости
Все новости
17 марта 2026
Обучающий семинар ZONT 31 марта
18 декабря 2025
Режим работы в новогодние праздничные дни
Твердотопливный котел Куппер Карбо-26
Котел твердотопливный напольный Куппер Карбо-26, мощность 26 кВт, в комплекте с ТЭН, глубина топки 300 мм, гарантия 3 года, Россия
81 970 ₽/шт
-
+
Под заказ
Срок поставки необходимо
получить у менеджера.
получить у менеджера.
| Тип отопительного котла | твердотопливный |
| Количество контуров | одноконтурный |
Доставка
- По Санкт-Петербургу - бесплатно.
- По России - через транспортные компании. Рассчитать стоимость доставки самостоятельно.
Оплата
- Картой онлайн
- Наличиными/картой в офисе
- Безналичным переводом
- Характеристики
- Устройство
- Комплект поставки
- Документация
- Видео
- Отзывы (0)
- Задать вопрос
-
Общая информация Тип отопительного котла твердотопливный Количество контуров одноконтурный Вид топлива уголь, дрова Модель Куппер Карбо-26 Тип установки напольный Гарантия, лет 3 Технические характеристики Мощность, кВт 26 Отапливаемая площадь, м2 260 Глубина топки, мм 300 Емкость для воды, л 50 Емкость топки, л 43.5 Тип камеры сгорания открытая Подключение Диаметр входного/выходного патрубка, дюйм 1.1/2 Диаметр дымохода, мм 150 Размеры и масса Вес, кг 182 Габариты (ВxШxГ), мм 862х533х920 Комплектация и встроенное оборудование Опция ТЭН есть,3x3 (220/380) Термометр есть Варочная панель нет Дополнительная информация Регулятор тяги дополнительная опция Материал теплообменника сталь 09Г2С Информация о производителе Торговая марка Теплодар Страна Россия -

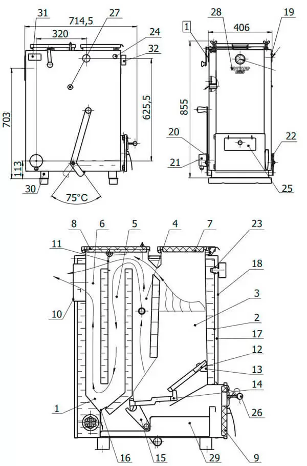
- Корпус топки.
- Наружный корпус водяной рубашки.
- Шахта загрузочная..
- Шахта топочная.
- Шахта дымогарная нисходящего хода.
- Шахта дымогарная восходящего хода.
- Люк загрузочный.
- Люк прочистной.
- Дверца зольная.
- Патрубок дымосборника.
- Створка прямого хода.
- Колосник неподвижный.
- Крюк.
- Колосник подвижный.
- Механизм перемещения колосника.
- Заглушка прочистной щели.
- Базальтовый картон.
- Панели облицовки.
- Штуцер подачи G1 1/2".
- Штуцер блока ТЭН G2".
- Блок ТЭН 9 кВт.
- Заглушка переходник G2 на G1 1/2.
- Штуцер G1/2 термометра.
- Штуцер G3/4 регулятора тяги.
- Створка регулирования горения.
- Регулировочный винт.
- Флажок.
- Фирменный шильд.
- Ящик зольника.
- Болт заземления.
- Шильд технический.
- Термометр.
-
- Котел КУППЕР КАРБО.
- Люк загрузочный.
- Люк прочистной.
- Экран люка прочистного.
- Лючёк прочистки.
- Дверца зольника.
- Ящик зольника.
- Колосник неподвижный.
- Колосник подвижный.
- Рычаг перемещения колосника.
- Скребок-кочерга.
- Заглушка-переходник с G2" на G1 1/2".
- Заглушка Dу 40 G1 1/2".
- Заглушка Dу20 G3/4".
- Винт регулировки подачи воздуха.
- Шибер поворотный 150 мм.
- Блок ТЭН 9 кВт.
- Ручка деревянная с анкером М6.
- Ручка деревянная.
- Термометр G1/2".
- Руководство по эксплуатации.
- Упаковка.
-
ПаспортРазмер: 4,5 мбСертификат соответствияРазмер: 901 кб
-
-
Вы можете задать любой интересующий вас вопрос по товару или работе магазина.
Наши квалифицированные специалисты обязательно вам помогут.
Задать вопрос
Ранее вы смотрели



