Будьте всегда в курсе!
Узнавайте о скидках и акциях первым
Новости
Все новости
17 марта 2026
Обучающий семинар ZONT 31 марта
18 декабря 2025
Режим работы в новогодние праздничные дни
Котел электрический ЭПО-72В
Артикул:
11125
166 038 ₽/шт
-
+
Под заказ
Дата доставки: 08.05.2026
| Модель | ЭПО-72В |
| Мощность, кВт | 72 |
| Отапливаемая площадь, м2 | 720 |
| Тип отопительного котла | электрический, ТЭН |
| Количество контуров | одноконтурный |
Доставка
- По Санкт-Петербургу - бесплатно.
- По России - через транспортные компании. Рассчитать стоимость доставки самостоятельно.
Оплата
- Картой онлайн
- Наличиными/картой в офисе
- Безналичным переводом
- Характеристики
- Устройство
- Комплект поставки
- Документация
- Отзывы (0)
- Задать вопрос
-
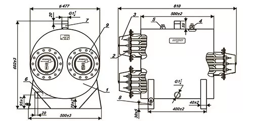
Общая информация Тип отопительного котла электрический, ТЭН Количество контуров одноконтурный Вид топлива электричество Модель ЭПО-72В Тип установки напольный Гарантия, лет 1.5 Технические характеристики Мощность, кВт 72 Количество ступеней мощностей 3-ступенчатый Ступени мощности 24 / 48 / 72 Функция ротации ТЭНов нет Отапливаемая площадь, м2 720 Регулировка температуры теплоносителя, °С 30-85 Подключение Диаметр входного/выходного патрубка, дюйм 1 1/4 наружная Размеры и масса Вес пульта, кг 15 Вес, кг 130 Габариты пульта (ВхШхГ), мм 300х500х230 Габариты (ВxШxГ), мм 602х477х810 Комплектация и встроенное оборудование Встроенный расширительный бак нет Колодка для подключения термостата есть Колодка для подключения циркуляционного насоса есть Недельный программатор нет Погодозависимая автоматика нет Информация о производителе Торговая марка Эван Страна Россия -

- корпус
- три трубчатых электронагревателя (ТЭН) из нержавеющей стали
- защитный кожух
- аварийный термовыключатель с самовозвратом в виде температурного реле
- датчик терморегулятора
- входной патрубок G11/4
- выходной патрубок G11/4
- зажим М8 для защитного проводника РЕ
- крышка
-
- котел;
- пульт управления;
- руководство по эксплуатации ЛИТЯ.681936.012РЭ;
- индивидуальная потребительская тара пульта управления.
-
Руководство по эксплуатации ЭПО 300-480Размер: 3,5 мбРуководство по эксплуатации ЭПО 132-240Размер: 457 кбРуководство по эксплуатации ЭПО 36-120Размер: 292 кбСертификат ЭПО 2.5-480Размер: 529 кбЭван лифлет отоплениеРазмер: 529 кб
-
Вы можете задать любой интересующий вас вопрос по товару или работе магазина.
Наши квалифицированные специалисты обязательно вам помогут.
Задать вопрос
Ранее вы смотрели
